603002, Нижний Новгород, ул. Интернациональная, 95
Filters
Ход поршня, мм

Гидроцилиндры для Буровой техники

Гидроцилиндры для буровой техники — наиболее нагруженные элементы, обеспечивающие работу всех видов стационарных и мобильных буровых установок: роторных, сваебойных, подъемных, кустового бурения.

Гидроцилиндры ЦЕНТАЛ успешно эксплуатируются в узлах подъёма и перемещения буровых установок кустового бурения и КРС и различных мобильных установках, в том числе и специального назначения.

Гидроцилиндры для буровых и установок для капитального ремонта скважин производства ЦЕНТАЛ:

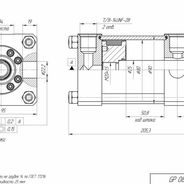
  • Гидроцилиндр подачи бурильного инструмента
  • Гидроцилиндр зажима обсадного стола
  • Гидроцилиндр перемещения вращателя
  • Гидроцилиндр хомута подвижного
  • Гидроцилиндр подъема мачты
  • Гидроцилиндр гидрораскрепителя труб
  • Гидроцилиндр подъема и опускания отвала
  • Гидроцилиндр опоры вывешивания крана
  • Гидроцилиндр задней опоры
  • Гидроцилиндр передней опоры
  • Гидроцилиндр опоры (аутригер)
  • Гидроцилиндр телескопического подъема
  • Гидроцилиндр установки вращателя
  • Гидроцилиндр разворота опор (выдвижения гидродомкратов)
  • Гидроцилиндр подачи бурильного инструмента
  • Гидроцилиндр перемещения платформы
  • Гидроцилиндр перемещения лафета
  • Гидроцилиндр опоры мачты
  • Гидроцилиндр опоры домкрата
  • Гидроцилиндр механизма подачи
  • Гидроцилиндр кранового оборудования
  • Гидроцилиндр зажима обсадного стола
  • Гидроцилиндр гидроопоры
  • Мобильные буровые установки

Специалисты ЦЕНТАЛ всегда рады помочь вам в решении вопросов, связанных производством и реализацией гидравлического силового оборудования. По вопросам приобретения гидроцилиндров для буровой техники, обращайтесь к консультанту в чате, по эл. адресу ✉️ info@cental.su и телефону ☎ +7 831 262-10-66, +7 (986) 725-15-13.

В нашей компании можно заказать ремкомплекты, отдельные комплектующие (гильзы, поршни, уплотнители) и расходные материалы для ремонта гидроцилиндров.

Мы производим надёжное и качественное гидравлическое оборудование, удовлетворяющее современным стандартам и требованиям заказчиков. Вся продукция проходит обязательный контроль ОТК, 100% испытания готовой продукции. Аттестованный испытательный стенд (аттестат № 952/1600-24 выдан ФБУ «Нижегородский ЦСМ»).

Разработаем и изготовим модель индивидуально для заказчика по требованиям ГОСТ и техники безопасности. Наши инженеры-конструкторы разработают чертежи для нестандартных цилиндров для вашего производства.

Мы готовы выполнить нестандартные заказы согласно техническому заданию наших заказчиков, с разработкой конструкторским отделом новых подходов и выработки оптимальных новых решений с соблюдением технических регламентов и правил производственного процесса. Наши специалисты предложат лучший вариант решения задачи с соблюдением технические регламентов и правил производства.

На все гидравлическое оборудование предоставляются паспорта качества. Гарантия на продукцию «ЦЕНТАЛ» – 1 год.

Ваши данные

Дайте нам знать, как с вами связаться.


    * - поля обязательные для заполнения

    Мы используем cookie-файлы для персонализации контента и улучшения пользовательского опыта. Продолжая просматривать этот сайт, вы даете свое согласие на использование и передачи сторонним сервисам cookie-файлов. Для получения дополнительной информации, пожалуйста, ознакомьтесь с нашей Политикой конфиденциальности и Согласием на обработку персональных данных

    Отправить заявку на расчёт

    Дайте нам знать, как с вами связаться.


      * - поля обязательные для заполнения