603002, Нижний Новгород, ул. Интернациональная, 95

Гидроцилиндр GA 09070.330.221.C1

Описание

Мы производим надёжное и качественное гидравлическое оборудование, удовлетворяющее современным стандартам и требованиям заказчиков. Вся продукция проходит обязательный контроль ОТК, 100% испытания готовой продукции. Аттестованный испытательный стенд (аттестат № 952/1600-24 выдан ФБУ «Нижегородский ЦСМ»).

Разработаем и изготовим модель индивидуально для заказчика по требованиям ГОСТ и техники безопасности. Наши инженеры-конструкторы разработают чертежи для нестандартных цилиндров для вашего производства.

Мы готовы выполнить нестандартные заказы согласно техническому заданию наших заказчиков, с разработкой конструкторским отделом новых подходов и выработки оптимальных новых решений с соблюдением технических регламентов и правил производственного процесса. Наши специалисты предложат лучший вариант решения задачи с соблюдением технические регламентов и правил производства.

На все гидравлическое оборудование предоставляются паспорта качества. Гарантия на продукцию «ЦЕНТАЛ» – 1 год.

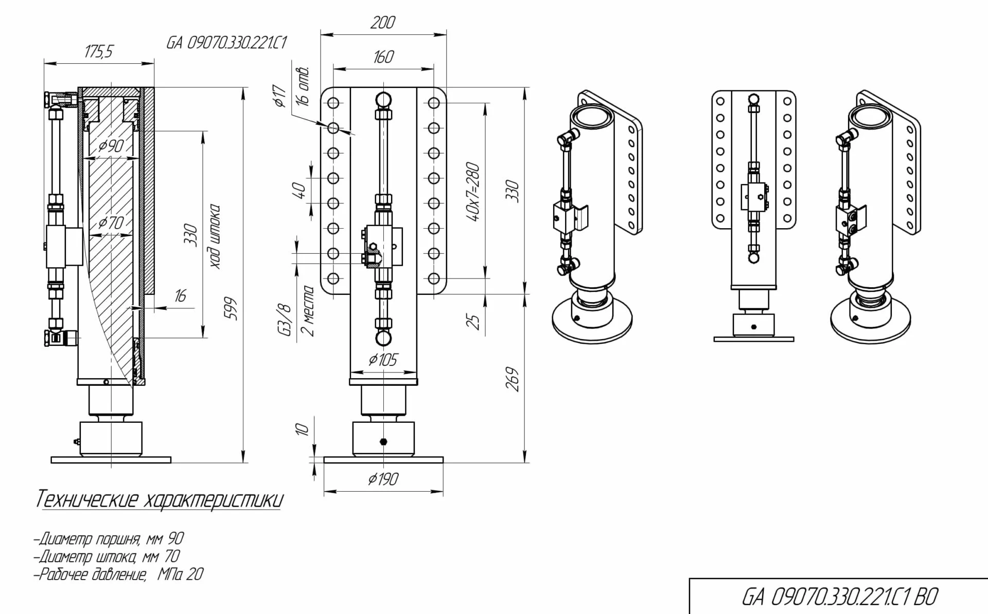
Детали

Габариты 596 × 200 × 190 см
Диаметр поршня, мм

90

Диаметр штока, мм

70

Ход поршня, мм

330

Толкающее усилие, кг

12723

Тянущее усилие, кг

5026

Номинальное давление, МПа

20

Масса, кг

40,99

Способ крепления ГЦ

опорная пластина

Товары из категории

Ваши данные

Дайте нам знать, как с вами связаться.


    * - поля обязательные для заполнения

    Мы используем cookie-файлы для персонализации контента и улучшения пользовательского опыта. Продолжая просматривать этот сайт, вы даете свое согласие на использование и передачи сторонним сервисам cookie-файлов. Для получения дополнительной информации, пожалуйста, ознакомьтесь с нашей Политикой конфиденциальности и Согласием на обработку персональных данных

    Отправить заявку на расчёт

    Дайте нам знать, как с вами связаться.


      * - поля обязательные для заполнения